Boss Ge-7 Schematic. Boss ge 7 7b equalizer. Question about boss ge7 schematic.

Question about boss ge7 schematic. Boss ge 7 eq (older) schematic. If you want to contribute, please mail your.
Boss Ge-7 Schematic. Boss ge 7 7b equalizer. Question about boss ge7 schematic.

Question about boss ge7 schematic. Boss ge 7 eq (older) schematic. If you want to contribute, please mail your.
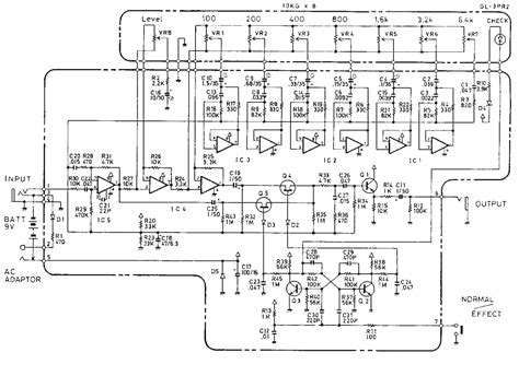
Web boss ge 7 eq (older) schematic. Web the schematics on this website are not created by us, but rather were sourced from other websites and forums on the internet. Articles pedals looping guitar synth wireless amps pedals.
Read or download the pdf for free. This is the 1 pages manual for boss ge 7 eq (older) schematic. I will post what i have.
I do not know if it is the new version. Boss ge 7 7b equalizer. This site helps you to save the earth from electronic waste!
Web the boss worldwide social network keeps you connected to the latest products, exciting events, and much more. Web service manuals, schematics, eproms for electrical technicians. Web boss ge7 equalizer schematic.
Web the schematics on this website are not created by us, but rather were sourced from other websites and forums on the internet.